Ceramic Welding Arc Shields or “Ferrules”
Du-Co Ceramics manufactures a wide assortment of cordierite ceramic welding ferrules, also called Arc Shields used in the stud welding process. The dimensional table shows the standard type “F” welding ferrule, also available are type P, low profile, HD (heavy duty), TD (thru-deck), inside/outside angle and rectangular ceramic arc shields (ferrules). With an in house tool and die department, Du-Co can assist in the design and development of your custom arc shield (ferrule) requirements. Standard tooling is available on most arc shield (ferrule) designs, call Du-Co Ceramics today for more information on ceramic welding arc shields (ferrules).
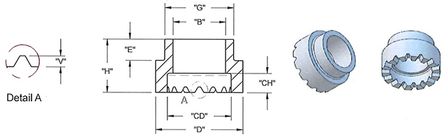
Additional Ferrule Design Options
| NOM SIZE | “B” +0.015/ -0.000 | “G” +/- .010 | “D” +/- .015 | “H” +/- .015 | “E” +/- .015 | “CD” +0.015/ -0.000 | “CH” +0.015/ -0.000 | Vents | V +0.015/ -0.000 | Du-Co Part No. |
| 8 | 0.155 | 0.305 | 0.390 | 0.390 | 0.156 | 0.190 | 0.070 | 8 | 0.030 | AF-2871 |
| 10 | 0.154 | 0.281 | 0.375 | 0.390 | 0.156 | 0.203 | 0.078 | 8 | 0.031 | AF-2655 |
| 3/16 | 0.192 | 0.305 | 0.390 | 0.390 | 0.156 | 0.262 | 0.110 | 8 | 0.040 | AF-1419 |
| 1/4 | 0.255 | 0.380 | 0.455 | 0.390 | 0.125 | 0.330 | 0.125 | 8 | 0.040 | AF-1565-2 |
| 5/16 | 0.317 | 0.445 | 0.578 | 0.390 | 0.156 | 0.406 | 0.125 | 12 | 0.040 | AF-1421 |
| 3/8 | 0.385 | 0.505 | 0.640 | 0.390 | 0.156 | 0.468 | 0.141 | 14 | 0.040 | AF-1313 |
| 7/16 | 0.442 | 0.585 | 0.703 | 0.422 | 0.188 | 0.546 | 0.156 | 16 | 0.040 | AF-1422 |
| 1/2 | 0.505 | 0.650 | 0.795 | 0.438 | 0.188 | 0.603 | 0.172 | 18 | 0.045 | AF-1402 |
| 5/8 | 0.635 | 0.785 | 1.030/1.050 | 0.516 | 0.188 | 0.745 | 0.250 | 18 | 0.055 | AF-1260 |
| 3/4* | 0.800 | 1.030 | 1.235/1.249 | 0.656 | 0.188 | 0.937/.957 | 0.315 | 18 | 0.080 | AF-0837 |
| 7/8* | 0.906 | 1.210 | 1.415/1.445 | 0.732 | 0.188 | 1.042/1.062 | 0.390 | 20 | 0.080 | AF-1132 |
| 1 | 1.030 | 1.406 | 1.620 | 0.820 | 0.188 | 1.215 | 0.390 | 22 | 0.085 | AF-1978 |